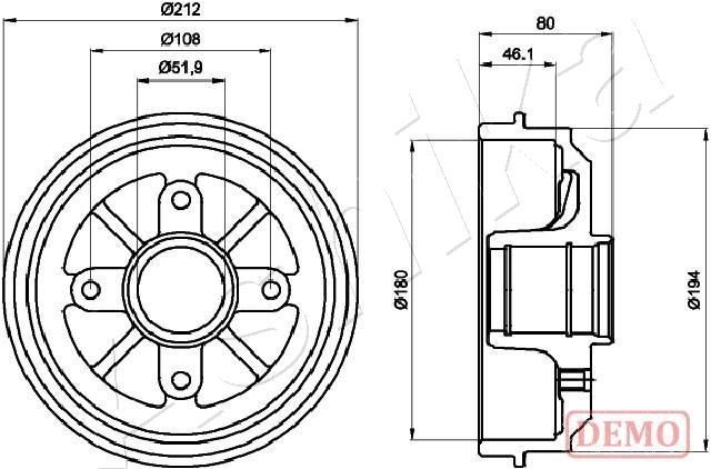
Спирачен барабан детайли
- страна на монтаж: предна ос, задна ос
- диаметър на спирачния барабан отвън [mm]: 212
- диаметър на спирачния барабан отвътре [mm]: 180
- Височина спирачен барабан отвътре [mm]: 46,1
- брой на дупките: 4
- кръг на дупките-Ø [mm]: 108
- Височина спирачен барабан общо [mm]: 80
- макс. размер на разпробиване на спирачния барабан [mm]: 181
- центриращ диаметър [mm]: 52
- Повърхност: боядисан
- Състояние: Ново
OEM номера за справка:
ПроизводителиOE номер
- CITROËN 424735
- CITROËN 424744
- CITROËN 95659622
- MEGA 95659622
- PEUGEOT 424735
- PEUGEOT 424744
- Други подходящи продукти за въведения OEM НОМЕР:
- MAPCO 35105
- ABE C6P008ABE
- DELPHI BF324
- KRAFT 6066000
- QUINTON HAZELL BDR286
- METZGER BT 800
- ATE 24.0218-0020.1
- ATE 24.0218-0720.2
- BOSCH 0 986 477 116
- TEXTAR 94014200
- BREMBO 14.7093.10
- FEBI BILSTEIN 10537
- NK 251904
- TRW DB4159
- TRW DB4159B
- LPR 7D0153
- LPR 7D0153C
- JURID 329158J
- TRISCAN 8120 28205
- TRISCAN 8120 28208
- ABE C6G025ABE
- BOSCH 0 986 477 155
- sbs 1825251904
- OPTIMAL BT-1330
- A.B.S. 2513-S
- KAMOKA 104022
- STARK SKBDM-0800022
- RIDEX 123B0023
- JP GROUP 3163500209
- REMSA 61020.10
- VALEO 237001
- MEYLE 11-15 523 0031
- METELLI 18-0241
- MAXGEAR 19-1042
- NK 251909
- ROADHOUSE 61020.10
- SWAG 62 91 0537
- ROADHOUSE 7070.00
- REMSA 7070.00
- HELLA 8DT 355 301-281
- HELLA 8DT 355 302-811
- TEXTAR 94041800
- DENCKERMANN B140027
- OPEN PARTS BAD9027.30
- BORG & BECK BBR7099
- FREMAX BD-4735
- FTE BT1023
- FERODO FDR329158
- MINTEX MBD035
- STARLINE PB 6453
- ROTINGER RT 6453
- JP GROUP 3163500200
- JP GROUP 3163500500
- AP XENERGY X654159
- STARK SKBDM-0800235
- RIDEX 123B0236
- JAPANPARTS TA-0608
- ASHIKA 56-00-0608
- JAPKO 560608
- BLUE PRINT ADBP470016
- SAMKO S70153
- SAMKO S70153C
- JAPANPARTS TA-0608C
- ASHIKA 56-00-0608C
- JAPKO 560608C
- TRISCAN 8120 28208C
- VAICO V42-60000
- HART 221 591
- ProfiPower 6B2037
- KAVO PARTS BD-10003
- ABAKUS 231-06-008
- SRLine S73-1012
- MIKODA 9305
- SKF VKBD 0124
- SKF VKBD 0125
- TOPRAN 721 178
- ABE C6G022ABE
- QUINTON HAZELL BDC3648
- LPR 7D0401
- LPR 7D0401C
HELLA Спирачен барабан
Артикул № 8DT 355 300-011
95,26 лв. / 48,71 €
с вкл. ДДС 20%,
без разходи за доставка,
продукт
- диаметър на барабана [mm]: 228,5
- диаметър на спирачния барабан отвън [mm]: 269,5
- Височина спирачен барабан отвътре [mm]: 46,5
- брой/разположение на дупките: 04/05
- кръг на дупките-Ø [mm]: 100
- Височина спирачен барабан общо [mm]: 58,5
- макс. размер на разпробиване на спирачния барабан [mm]: 229,5
- Доп. артикул / Доп. инфо. 2: без колесна главина, без болтове за закрепване на колелата, без колесен лагер
- Тегло [kg]: 4,5
- технически информационен номер: 60403
В момента не е в наличност
HELLA Спирачен барабан
Артикул № 8DT 355 300-431
96,93 лв. / 49,56 €
(Цена за брой)
с вкл. ДДС 20%,
без разходи за доставка,
продукт
- страна на монтаж: задна ос
- диаметър на спирачния барабан отвън [mm]: 279
- диаметър на спирачния барабан отвътре [mm]: 229
- Височина спирачен барабан отвътре [mm]: 68
- брой на дупките: 5
- кръг на дупките-Ø [mm]: 108
- Височина спирачен барабан общо [mm]: 90
- макс. размер на разпробиване на спирачния барабан [mm]: 229,6
- Доп. артикул / Доп. инфо. 2: без колесна главина, без колесен лагер, без болтове за закрепване на колелата
- Тегло [kg]: 7,9
- центриращ диаметър [mm]: 63,4
- Диаметър на отвор колесен болт [mm]: 12,9
- Необходим е монтаж/демонтаж от специализиран персонал!
В наличност
HELLA Спирачен барабан
Артикул № 8DT 355 300-391
99,08 лв. / 50,66 €
с вкл. ДДС 20%,
без разходи за доставка,
продукт
- диаметър на барабана [mm]: 180
- диаметър на спирачния барабан отвън [mm]: 208
- Височина спирачен барабан отвътре [mm]: 34,5
- брой/разположение на дупките: 04/04
- кръг на дупките-Ø [mm]: 100
- Височина спирачен барабан общо [mm]: 63
- макс. размер на разпробиване на спирачния барабан [mm]: 182
- Доп. артикул / Доп. инфо. 2: с колесна главина, без колесен лагер, без болтове за закрепване на колелата
- Тегло [kg]: 3,98
- технически информационен номер: 61240
В момента не е в наличност
HELLA Спирачен барабан
Артикул № 8DT 355 300-461
111,20 лв. / 56,86 €
(Цена за брой)
с вкл. ДДС 20%,
без разходи за доставка,
продукт
- страна на монтаж: задна ос
- диаметър на спирачния барабан отвън [mm]: 291
- диаметър на спирачния барабан отвътре [mm]: 254
- Височина спирачен барабан отвътре [mm]: 60
- брой на дупките: 5
- кръг на дупките-Ø [mm]: 160
- Височина спирачен барабан общо [mm]: 98
- макс. размер на разпробиване на спирачния барабан [mm]: 256
- Доп. артикул / Доп. инфо. 2: без колесна главина, без колесен лагер, без болтове за закрепване на колелата
- Тегло [kg]: 9,5
- центриращ диаметър [mm]: 131
- Диаметър на отвор колесен болт [mm]: 15,5
- Необходим е монтаж/демонтаж от специализиран персонал!
В наличност
HELLA Спирачен барабан
Артикул № 8DT 355 300-411
112,13 лв. / 57,33 €
(Цена за брой)
с вкл. ДДС 20%,
без разходи за доставка,
продукт
- страна на монтаж: задна ос
- диаметър на спирачния барабан отвън [mm]: 228
- диаметър на спирачния барабан отвътре [mm]: 200
- Височина спирачен барабан отвътре [mm]: 54
- брой на дупките: 4
- кръг на дупките-Ø [mm]: 100
- Височина спирачен барабан общо [mm]: 94
- макс. размер на разпробиване на спирачния барабан [mm]: 201
- Доп. артикул / Доп. инфо. 2: с колесна главина, без колесен лагер, без болтове за закрепване на колелата
- Тегло [kg]: 5,5
- центриращ диаметър [mm]: 52,9
- Диаметър на отвор колесен болт [mm]: 12
- Необходим е монтаж/демонтаж от специализиран персонал!
В наличност
HELLA Спирачен барабан
Артикул № 8DT 355 300-201
116,82 лв. / 59,73 €
(Цена за брой)
с вкл. ДДС 20%,
без разходи за доставка,
продукт
- диаметър на спирачния барабан отвън [mm]: 292
- диаметър на спирачния барабан отвътре [mm]: 254
- Височина спирачен барабан отвътре [mm]: 58
- брой/разположение на дупките: 05/05
- кръг на дупките-Ø [mm]: 160
- Височина спирачен барабан общо [mm]: 96
- макс. размер на разпробиване на спирачния барабан [mm]: 256
- Доп. артикул / Доп. инфо. 2: без колесна главина, без колесен лагер, без болтове за закрепване на колелата
- Тегло [kg]: 8,8
- центриращ диаметър [mm]: 132
- технически информационен номер: 61011
- Диаметър на отвор колесен болт [mm]: 13
- Необходим е монтаж/демонтаж от специализиран персонал!
В момента не е в наличност
HELLA Спирачен барабан
Артикул № 8DT 355 300-451
136,05 лв. / 69,56 €
(Цена за брой)
с вкл. ДДС 20%,
без разходи за доставка,
продукт
- диаметър на спирачния барабан отвън [mm]: 318
- диаметър на спирачния барабан отвътре [mm]: 280
- Височина спирачен барабан отвътре [mm]: 78
- брой/разположение на дупките: 05/08
- кръг на дупките-Ø [mm]: 160
- Височина спирачен барабан общо [mm]: 105
- макс. размер на разпробиване на спирачния барабан [mm]: 282
- Доп. артикул / Доп. инфо. 2: без колесна главина, без колесен лагер, без болтове за закрепване на колелата
- Тегло [kg]: 12,4
- центриращ диаметър [mm]: 118
- Диаметър на отвор колесен болт [mm]: 15,6
- Необходим е монтаж/демонтаж от специализиран персонал!
В наличност
HELLA Спирачен барабан
Артикул № 8DT 355 300-171
139,33 лв. / 71,24 €
с вкл. ДДС 20%,
без разходи за доставка,
продукт
- диаметър на барабана [mm]: 203
- диаметър на спирачния барабан отвън [mm]: 239
- Височина спирачен барабан отвътре [mm]: 49
- брой/разположение на дупките: 04/04
- кръг на дупките-Ø [mm]: 108
- Височина спирачен барабан общо [mm]: 80
- макс. размер на разпробиване на спирачния барабан [mm]: 204
- Доп. артикул / Доп. инфо. 2: с колесна главина, без колесен лагер, със закрепващи болтове на колелото
- Тегло [kg]: 5,5
- технически информационен номер: 61008
В момента не е в наличност
HELLA Спирачен барабан
Артикул № 8DT 355 300-061
146,13 лв. / 74,72 €
(Цена за брой)
с вкл. ДДС 20%,
без разходи за доставка,
продукт
- страна на монтаж: задна ос
- диаметър на спирачния барабан отвън [mm]: 298
- диаметър на спирачния барабан отвътре [mm]: 254
- Височина спирачен барабан отвътре [mm]: 64
- брой на дупките: 5
- кръг на дупките-Ø [mm]: 118
- Височина спирачен барабан общо [mm]: 98
- макс. размер на разпробиване на спирачния барабан [mm]: 255,6
- Доп. артикул / Доп. инфо. 2: без колесна главина, без колесен лагер, без болтове за закрепване на колелата
- Тегло [kg]: 8,7
- центриращ диаметър [mm]: 72
- Диаметър на отвор колесен болт [mm]: 15,6
- Необходим е монтаж/демонтаж от специализиран персонал!
В наличност
HELLA Спирачен барабан
Артикул № 8DT 355 300-401
147,36 лв. / 75,34 €
с вкл. ДДС 20%,
без разходи за доставка,
продукт
- диаметър на барабана [mm]: 200
- диаметър на спирачния барабан отвън [mm]: 228
- Височина спирачен барабан отвътре [mm]: 34,9
- брой/разположение на дупките: 04/04
- кръг на дупките-Ø [mm]: 100
- Височина спирачен барабан общо [mm]: 85,8
- макс. размер на разпробиване на спирачния барабан [mm]: 201
- Доп. артикул / Доп. инфо. 2: с колесна главина, без колесен лагер, без болтове за закрепване на колелата
- Тегло [kg]: 4,7
- центриращ диаметър [mm]: 52,9
- технически информационен номер: 61241
В момента не е в наличност
Клиентите, закупили този продукт, са закупили също
JP GROUP Спирачен барабан
Артикул № 4863500700
15,09 лв. / 7,72 €
(Цена за брой)
с вкл. ДДС 20%,
без разходи за доставка,
продукт
- страна на монтаж: задна ос
- Диаметър: 200
- брой/разположение на дупките: 6/4
- Повърхност: с покритие
В наличност
JPN Спирачен барабан
Артикул № 60H9004-JPN
30,20 лв. / 15,44 €
(Цена за брой)
с вкл. ДДС 20%,
без разходи за доставка,
продукт
- страна на монтаж: задна ос
- диаметър на барабана [mm]: 180
- брой на дупките: 4
В наличност
ABAKUS Спирачен барабан
Артикул № 231-06-003
31,87 лв. / 16,29 €
(Цена за брой)
с вкл. ДДС 20%,
без разходи за доставка,
продукт
- диаметър на спирачния барабан отвън [mm]: 214
- диаметър на спирачния барабан отвътре [mm]: 180
- Височина спирачен барабан отвътре [mm]: 40
- брой на дупките: 4
- кръг на дупките-Ø [mm]: 98
- Височина спирачен барабан общо [mm]: 54
- макс. размер на разпробиване на спирачния барабан [mm]: 181,4
- да се подменят само по двойки
- Необходим е монтаж/демонтаж от специализиран персонал!
В наличност
STARK Спирачен барабан
Артикул № SKBDM-0800092
30,18 лв. / 15,43 €
(Цена за брой)
с вкл. ДДС 20%,
без разходи за доставка,
продукт
- страна на монтаж: задна ос
- диаметър на барабана [mm]: 203
- диаметър на спирачния барабан отвън [mm]: 241
- Височина спирачен барабан отвътре [mm]: 41,8
- брой/разположение на дупките: 4/6
- кръг на дупките-Ø [mm]: 114,3
- Височина спирачен барабан общо [mm]: 64,1
- макс. размер на разпробиване на спирачния барабан [mm]: 205
- Доп. артикул / Доп. инфо. 2: без сензорен пръстен за ABS, без колесен лагер
- Тегло [kg]: 4,16
- центриращ диаметър [mm]: 90
- Диаметър на отвора [mm]: 12,5
В наличност
STARK Спирачен барабан
Артикул № SKBDM-0800135
31,62 лв. / 16,17 €
(Цена за брой)
с вкл. ДДС 20%,
без разходи за доставка,
продукт
- страна на монтаж: задна ос
- диаметър на барабана [mm]: 200,0
- диаметър на спирачния барабан отвън [mm]: 233,0
- Височина спирачен барабан отвътре [mm]: 41,0
- брой на дупките: 4
- кръг на дупките-Ø [mm]: 100,0
- Височина спирачен барабан общо [mm]: 51,5
- макс. размер на разпробиване на спирачния барабан [mm]: 201,0
- диаметър входящ [mm]: 55,0
- Диаметър на отвора [mm]: 14,7
В наличност
RIDEX Спирачен барабан
Артикул № 123B0047
37,02 лв. / 18,93 €
(Цена за брой)
с вкл. ДДС 20%,
без разходи за доставка,
продукт
- страна на монтаж: задна ос
- диаметър на барабана [mm]: 203
- диаметър на спирачния барабан отвън [mm]: 235
- Височина спирачен барабан отвътре [mm]: 38,5
- брой на дупките: 3
- брой/разположение на дупките: 3/4
- кръг на дупките-Ø [mm]: 112
- Височина спирачен барабан общо [mm]: 59.3
- макс. размер на разпробиване на спирачния барабан [mm]: 204,5
- Доп. артикул / Доп. инфо. 2: без колесна главина
- монтажен диаметър [mm]: 58
В наличност
RIDEX Спирачен барабан
Артикул № 123B0172
37,13 лв. / 18,98 €
(Цена за брой)
с вкл. ДДС 20%,
без разходи за доставка,
продукт
- страна на монтаж: задна ос
- диаметър на спирачния барабан отвън [mm]: 219,5
- диаметър на спирачния барабан отвътре [mm]: 180
- Височина спирачен барабан отвътре [mm]: 40
- брой/разположение на дупките: 04/06
- Тегло [kg]: 3,68
- Височина: 57
- диаметър на главината 1 [mm]: 62
В наличност
RIDEX Спирачен барабан
Артикул № 123B0055
37,01 лв. / 18,92 €
(Цена за брой)
с вкл. ДДС 20%,
без разходи за доставка,
продукт
- страна на монтаж: задна ос
- диаметър на барабана [mm]: 180
- диаметър на спирачния барабан отвън [mm]: 217
- Височина спирачен барабан отвътре [mm]: 38,2
- брой на дупките: 4/6
- кръг на дупките-Ø [mm]: 100
- Височина спирачен барабан общо [mm]: 61,5
- макс. размер на разпробиване на спирачния барабан [mm]: 181
- Доп. артикул / Доп. инфо. 2: без сензорен пръстен за ABS, без колесен лагер, без колесна главина
- Диаметър на отвора [mm]: 61
- диаметър на отвора на фланеца [mm]: 61
В наличност
RIDEX Спирачен барабан
Артикул № 123B0042
37,02 лв. / 18,93 €
(Цена за брой)
с вкл. ДДС 20%,
без разходи за доставка,
продукт
- страна на монтаж: задна ос
- Диаметър: 233
- диаметър на спирачния барабан отвън [mm]: 233
- диаметър на спирачния барабан отвътре [mm]: 200
- Височина спирачен барабан отвътре [mm]: 44
- брой/разположение на дупките: 4/7
- брой дупки на джанта: 4
- кръг на дупките-Ø [mm]: 100, 100,0
- Височина спирачен барабан общо [mm]: 54
- Тегло [kg]: 3,5
- Диаметър на отвора [mm]: 13,2
- мярка на резбата: M12x1,25
- диаметър на главината на колелото [mm]: 55
- използва се в МПС с год. на производство до: 2016/11
В наличност
RIDEX Спирачен барабан
Артикул № 123B0155
45,76 лв. / 23,40 €
(Цена за брой)
с вкл. ДДС 20%,
без разходи за доставка,
продукт
- страна на монтаж: задна ос
- диаметър на спирачния барабан отвън [mm]: 235
- диаметър на спирачния барабан отвътре [mm]: 200
- Височина спирачен барабан отвътре [mm]: 55
- брой/разположение на дупките: 4/6
- Височина спирачен барабан общо [mm]: 64,5
- Тегло [kg]: 4
- Височина: 65,5
- диаметър на главината 1 [mm]: 54
- Диаметър на отвора [mm]: 14,7
В наличност
STARK Спирачен барабан
Артикул № SKBDM-0800041
42,83 лв. / 21,90 €
(Цена за брой)
с вкл. ДДС 20%,
без разходи за доставка,
продукт
- страна на монтаж: задна ос
- Диаметър: 233
- диаметър на спирачния барабан отвън [mm]: 233
- диаметър на спирачния барабан отвътре [mm]: 200
- Височина спирачен барабан отвътре [mm]: 44
- брой/разположение на дупките: 4/7
- брой дупки на джанта: 4
- кръг на дупките-Ø [mm]: 100, 100,0
- Височина спирачен барабан общо [mm]: 54
- Тегло [kg]: 3,5
- Диаметър на отвора [mm]: 13,2
- мярка на резбата: M12x1,25
- диаметър на главината на колелото [mm]: 55
- използва се в МПС с год. на производство до: 2016/11
В наличност























